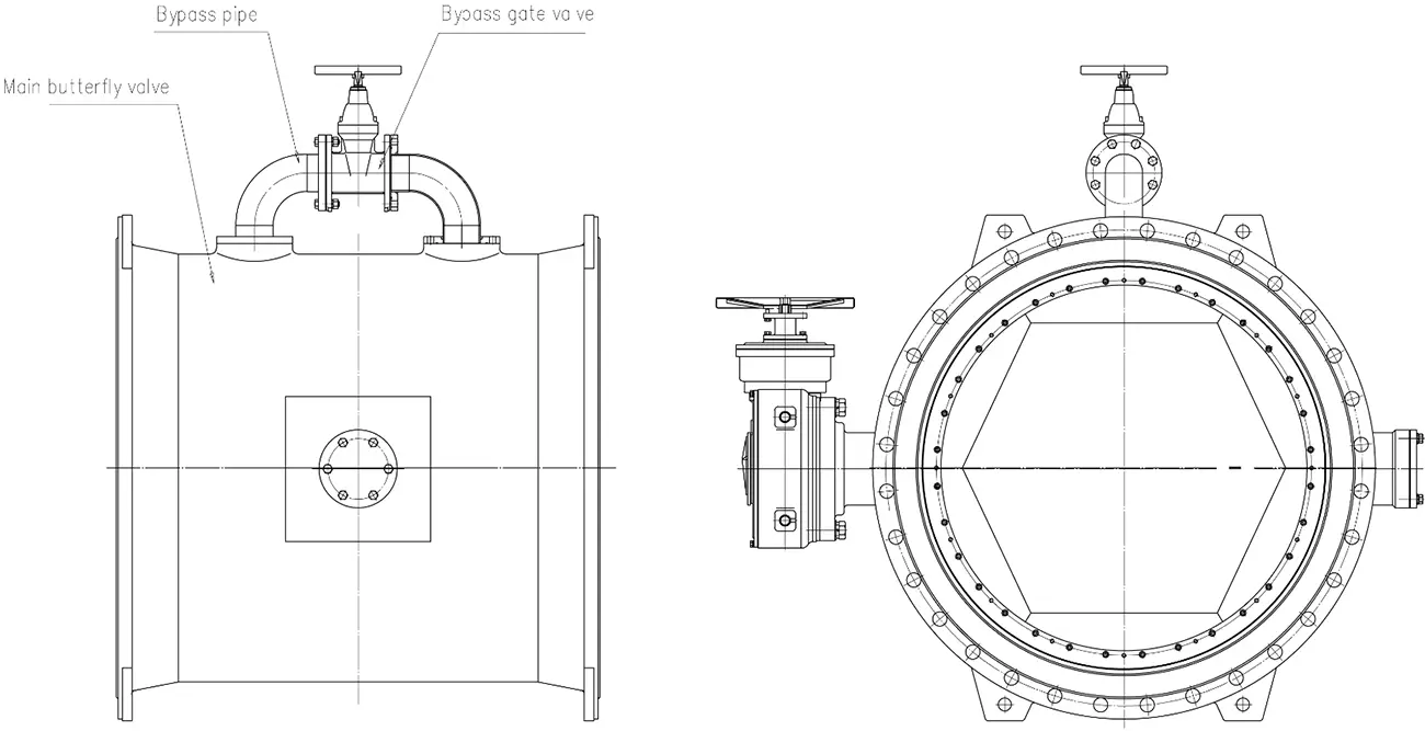
Bi-Directional Zero Leakage Butterfly Valve With Bypass
Product description
Valve design to EN 593, EN1074-1/2, BS5155, DIN3354
Flange to EN 1092, BS4504, DIN2501, ISO7005, ASME B16.5, ASME B16.1, AWWA C207, AS4087
Face to face length to EN 558-1 / ISO 5752 series 15, or other special length
This product is derived from the double eccentric butterfly valve of our company. It also has superior performance and security. Plus the bypass system’s unique advantages, it’s more and more popular with the clients around the world.
It consists of the main valve,the integral bypass pipe and bypass valve.
When closing the valve, close the main valve first and then the bypass valve; When opening the valve, first open the bypass valve, then the main valve. In this way, to balance the differential pressure between upstream and downstream, and the main butterfly valve can be opened and closed easily.
Valve Body
The bodies are constructed of ductile cast iron, with double flange ends in accordance with EN1092-2(other standard drilling be provided as special request)
Valve Disc
The flow through disc design is employed to minimize line turbulence and lower head loss. The greater free flow area provides less pressure drop in the full-open position than other disc shapes. The material of ductile iron and stainless steel are available.
The internal and external coating(FBE) in 250μm DFT is corrosion and abrasion resistant, suitable for use for drink water, treated wastewater, raw water etc.
The valves have position indicator and have adjustable end limit stops at both open and closed end position to prevent damage by excessive operating force. They shall close clockwise. For underground valves, the position indicator will be extended above ground.
The gearbox operator is worm wheel type, and has self-locking function. If necessary, the spurgear/bevelgear is equipped with to reduce the required input torque.
All the valves are designed for no leakage under flow from either direction tested at a differential pressure across the seal of rated working pressure. Each valve is subject to a body strength and seat leakage test of separately 1.5 times and 1.1 times the design pressure according to EN12266 before leaving workshop. Test certificate is to be submitted.
Materials of component
|
No |
NAME |
MATERIAL* |
SPECIFICATION |
REMARKS |
|
1 |
Gear housing |
Ductile Iron |
GJS450-10 |
|
|
2 |
Key |
Stainless Steel |
1.4021(SS420), 1.4057(SS431),17-4PH(SS630) |
|
|
Duplex Stainless Steel |
1.4462(S31803),1.4507(S32750) |
for rubber lined butterfly valve |
||
|
3 |
Upper Shaft |
Stainless Steel |
1.4021(SS420), 1.4057(SS431),17-4PH(SS630) |
|
|
Duplex Stainless Steel |
1.4462(S31803), 1.4507(S32750) |
for rubber lined butterfly valve |
||
|
4 |
Packing Gland |
Ductile Iron |
GJS500-7(GGG50), GJS400-15(GGG40) 65-45-12, 60-40-18 |
|
|
Carbon Steel |
1.0038(S235JR) |
|||
|
5 |
0 ring |
Rubber |
EPDM, NBR |
|
|
6 |
Bolt |
Stainless Steel |
A2-70(SS304), A4-70(SS316) |
|
|
Duplex Stainless Steel |
S31803, S32750 |
for rubber lined butterfly valve |
||
|
7 |
Shaft Bearing |
Bronze |
QAI9-2 CC331G |
|
|
8 |
Valve Body |
Ductile Iron |
GJS500-7(GGG50), GJS400-15(GGG40) 65-45-12, 60-40-18 |
|
|
Carbon steel |
1.0619(WCB) |
|||
|
9 |
Body Seat |
Stainless Steel |
Cr-Ni alloy / Ni welded |
|
|
10 |
Retainer Ring |
Carbon Steel |
1.0038(S235JR) |
|
|
Stainless Steel |
1.4301(SS304), 1.4401(SS316),1.4571(SS316Ti) |
|||
|
11 |
Disc Seal Ring |
Rubber |
EPDM, NBR, FKM, Silastic |
|
|
12 |
Screw |
Stainless Steel |
A2-70(SS304), A4-70(SS316) |
|
|
Duplex Stainless Steel |
S31803, S32750 |
for rubber lined butterfly valve |
||
|
13 |
Pin |
Stainless Steel |
1.4021(SS420) |
|
|
Duplex Stainless Steel |
1.4462(S31803),1.4507(S32750) |
for rubber lined butterfly valve |
||
|
14 |
Valve Disc |
Ductile Iron |
GJS500-7(GGG50), GJS400-15(GGG40) 65-45-12, 60-40-18 |
|
|
Carbon steel |
1.0619(WCB) |
|||
|
15 |
Lower Shaft |
Stainless Steel |
1.4021(SS420), 1.4057(SS431),17-4PH(SS630) |
|
|
Duplex Stainless Steel |
1.4462(S31803), 1.4507(S32750) |
for rubber lined butterfly valve |
||
|
16 |
Shaft Bearing |
Bronze |
QAI9-2 CC331G |
|
|
17 |
0 ring |
Rubber |
EPDM, NBR |
|
|
18 |
End Cover |
Ductile Iron |
GJS500-7(GGG50), GJS400-15(GGG40) 65-45-12, 60-40-18 |
|
(Other materials are available on request.)
Coating: fusion bonded epoxy coating, min. thickness 300 micron
★ Suitable medium: potable water, drinking water, sea water, TSE water, low-corrosive liquid etc.
★ Suitable temperature: 0 ~ 80 ℃
★ Pressure test to EN12266-1: Leakage rate: Class A (Zero leakage) in both direction
100% testing before delivery
Typical outline drawing

Please contact us for detailed datasheet or drawing.
Product Display






